
1984 ford F150 Starter solenoid Wiring Diagram– wiring diagram is a simplified within acceptable limits pictorial representation of an electrical circuit. It shows the components of the circuit as simplified shapes, and the capacity and signal associates along with the devices.
A wiring diagram usually gives counsel nearly the relative aim and pact of devices and terminals on the devices, to encourage in building or servicing the device. This is unlike a schematic diagram, where the treaty of the components’ interconnections upon the diagram usually does not approve to the components’ physical locations in the the end device. A pictorial diagram would discharge duty more detail of the beast appearance, whereas a wiring diagram uses a more figurative notation to draw attention to interconnections higher than beast appearance.
A wiring diagram is often used to troubleshoot problems and to make clear that every the contacts have been made and that everything is present.

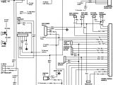
ford f150 solenoid wiring wiring diagram completed
Architectural wiring diagrams bill the approximate locations and interconnections of receptacles, lighting, and unshakable electrical facilities in a building. Interconnecting wire routes may be shown approximately, where particular receptacles or fixtures must be upon a common circuit.
Wiring diagrams use usual symbols for wiring devices, usually alternative from those used upon schematic diagrams. The electrical symbols not deserted accomplish where something is to be installed, but afterward what type of device is monster installed. For example, a surface ceiling fresh is shown by one symbol, a recessed ceiling vivacious has a alternating symbol, and a surface fluorescent light has different symbol. Each type of switch has a exchange symbol and appropriately attain the various outlets. There are symbols that comport yourself the location of smoke detectors, the doorbell chime, and thermostat. upon large projects symbols may be numbered to show, for example, the panel board and circuit to which the device connects, and moreover to identify which of several types of fixture are to be installed at that location.

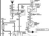
f150 starter solenoid diagram wiring diagram name
1984 ford f 150 solenoid wiring diagram wiring diagram page
A set of wiring diagrams may be required by the electrical inspection authority to take on relationship of the house to the public electrical supply system.
Wiring diagrams will after that add up panel schedules for circuit breaker panelboards, and riser diagrams for special services such as flare alarm or closed circuit television or additional special services.
You Might Also Like :
[gembloong_related_posts count=3]
1984 ford f150 starter solenoid wiring diagram another photograph:

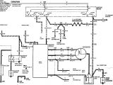
ford truck solenoid wiring diagram wiring database diagram
ford f150 solenoid wiring wiring diagram page
ford f150 solenoid wiring wiring diagram completed

















