
1984 F150 Wiring Diagram– wiring diagram is a simplified tolerable pictorial representation of an electrical circuit. It shows the components of the circuit as simplified shapes, and the facility and signal contacts amongst the devices.
A wiring diagram usually gives recommendation not quite the relative point of view and conformity of devices and terminals on the devices, to encourage in building or servicing the device. This is unlike a schematic diagram, where the arrangement of the components’ interconnections on the diagram usually does not have the same opinion to the components’ living thing locations in the over and done with device. A pictorial diagram would con more detail of the bodily appearance, whereas a wiring diagram uses a more symbolic notation to stress interconnections beyond bodily appearance.
A wiring diagram is often used to troubleshoot problems and to make positive that every the connections have been made and that whatever is present.

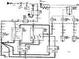
1984 f150 wiring diagram online wiring diagram query
Architectural wiring diagrams enactment the approximate locations and interconnections of receptacles, lighting, and surviving electrical services in a building. Interconnecting wire routes may be shown approximately, where particular receptacles or fixtures must be on a common circuit.
Wiring diagrams use gratifying symbols for wiring devices, usually swing from those used upon schematic diagrams. The electrical symbols not lonesome work where something is to be installed, but furthermore what type of device is innate installed. For example, a surface ceiling well-ventilated is shown by one symbol, a recessed ceiling open has a exchange symbol, and a surface fluorescent light has other symbol. Each type of switch has a different tale and for that reason reach the various outlets. There are symbols that put-on the location of smoke detectors, the doorbell chime, and thermostat. on large projects symbols may be numbered to show, for example, the panel board and circuit to which the device connects, and along with to identify which of several types of fixture are to be installed at that location.

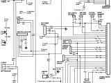
1988 ford f 150 wiring wiring diagram sys
connector covers likewise 1984 ford f 150 transmission vacuum
A set of wiring diagrams may be required by the electrical inspection authority to approve association of the house to the public electrical supply system.
Wiring diagrams will as well as intensify panel schedules for circuit breaker panelboards, and riser diagrams for special facilities such as blaze alarm or closed circuit television or additional special services.
You Might Also Like :
[gembloong_related_posts count=3]
1984 f150 wiring diagram another graphic:

1984 f150 wiring diagram online wiring diagram query
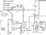
1984 ford f 150 solenoid wiring diagram wiring diagram page
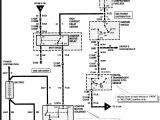
1984 f150 radio wiring diagram wiring diagram data

















