1982 Honda Express Wiring Diagram


Warning: count(): Parameter must be an array or an object that implements Countable in /var/www/html/autocardesign.org/wp-content/themes/silegan-wordpress-theme/inc/themeson.class.php on line 625
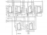
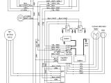
1982 Honda Express Wiring Diagram Ra 4044 1981 Honda Express Wiring Diagram Download Diagram
1982 Honda Express Wiring Diagram Ra 4044 1981 Honda Express Wiring Diagram Download Diagram