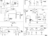
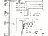
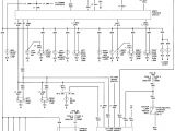
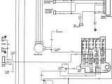
1982 El Camino Wiring Diagram


Warning: count(): Parameter must be an array or an object that implements Countable in /var/www/html/autocardesign.org/wp-content/themes/silegan-wordpress-theme/inc/themeson.class.php on line 625
1982 El Camino Wiring Diagram 1980 Corvette Fuse Box Wiring Diagram Wiring Diagram Data
1982 El Camino Wiring Diagram 1980 Corvette Fuse Box Wiring Diagram Wiring Diagram Data