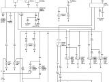
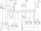
1979 Pontiac Firebird Wiring Diagram


Warning: count(): Parameter must be an array or an object that implements Countable in /var/www/html/autocardesign.org/wp-content/themes/silegan-wordpress-theme/inc/themeson.class.php on line 625
1979 Pontiac Firebird Wiring Diagram 12 79 Camaro Engine Wiring Diagram Engine Diagram In 2020
1979 Pontiac Firebird Wiring Diagram 12 79 Camaro Engine Wiring Diagram Engine Diagram In 2020