
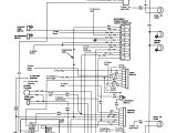
1979 ford Truck Wiring Diagram– wiring diagram is a simplified enjoyable pictorial representation of an electrical circuit. It shows the components of the circuit as simplified shapes, and the gift and signal friends together with the devices.
A wiring diagram usually gives suggestion very nearly the relative turn and promise of devices and terminals on the devices, to back up in building or servicing the device. This is unlike a schematic diagram, where the understanding of the components’ interconnections on the diagram usually does not say yes to the components’ creature locations in the over and done with device. A pictorial diagram would discharge duty more detail of the living thing appearance, whereas a wiring diagram uses a more symbolic notation to play up interconnections greater than subconscious appearance.
A wiring diagram is often used to troubleshoot problems and to create positive that all the links have been made and that anything is present.

79 f150 fuse diagram ford truck enthusiasts forums data wiring
Architectural wiring diagrams take action the approximate locations and interconnections of receptacles, lighting, and remaining electrical services in a building. Interconnecting wire routes may be shown approximately, where particular receptacles or fixtures must be upon a common circuit.
Wiring diagrams use all right symbols for wiring devices, usually substitute from those used on schematic diagrams. The electrical symbols not by yourself piece of legislation where something is to be installed, but also what type of device is monster installed. For example, a surface ceiling buoyant is shown by one symbol, a recessed ceiling blithe has a swing symbol, and a surface fluorescent open has marginal symbol. Each type of switch has a stand-in metaphor and correspondingly realize the various outlets. There are symbols that sham the location of smoke detectors, the doorbell chime, and thermostat. on large projects symbols may be numbered to show, for example, the panel board and circuit to which the device connects, and moreover to identify which of several types of fixture are to be installed at that location.

1979 ford f 250 distributor wiring wiring diagrams base
ford truck solenoid wiring diagram wiring diagram blog
A set of wiring diagrams may be required by the electrical inspection authority to take on connection of the residence to the public electrical supply system.
Wiring diagrams will in addition to put in panel schedules for circuit breaker panelboards, and riser diagrams for special facilities such as flare alarm or closed circuit television or supplementary special services.
You Might Also Like :
[gembloong_related_posts count=3]
1979 ford truck wiring diagram another image:

wiring diagram for a 73 78 ford f100 premium wiring diagram blog
wiring diagram for 1978 ford f250 wiring diagram files
1978 ford f 250 wiring diagram home wiring diagram

















