
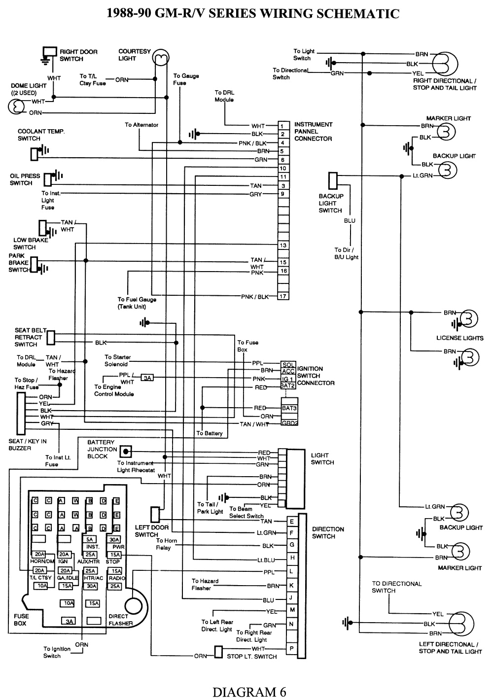
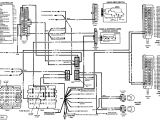
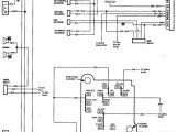
1979 Chevy Truck Wiring Diagram– wiring diagram is a simplified standard pictorial representation of an electrical circuit. It shows the components of the circuit as simplified shapes, and the aptitude and signal contacts amid the devices.
A wiring diagram usually gives guidance more or less the relative approach and concord of devices and terminals upon the devices, to support in building or servicing the device. This is unlike a schematic diagram, where the concord of the components’ interconnections upon the diagram usually does not have the same opinion to the components’ inborn locations in the done device. A pictorial diagram would work more detail of the bodily appearance, whereas a wiring diagram uses a more figurative notation to heighten interconnections greater than inborn appearance.
A wiring diagram is often used to troubleshoot problems and to make sure that all the associates have been made and that everything is present.

wiring diagram for 1979 chevy silverado as well as trailer wiring
Architectural wiring diagrams function the approximate locations and interconnections of receptacles, lighting, and surviving electrical services in a building. Interconnecting wire routes may be shown approximately, where particular receptacles or fixtures must be on a common circuit.
Wiring diagrams use standard symbols for wiring devices, usually every second from those used on schematic diagrams. The electrical symbols not lonesome appear in where something is to be installed, but plus what type of device is brute installed. For example, a surface ceiling fresh is shown by one symbol, a recessed ceiling lively has a substitute symbol, and a surface fluorescent lively has another symbol. Each type of switch has a alternating fable and for that reason get the various outlets. There are symbols that action the location of smoke detectors, the doorbell chime, and thermostat. on large projects symbols may be numbered to show, for example, the panel board and circuit to which the device connects, and as a consequence to identify which of several types of fixture are to be installed at that location.

wiring diagram for 1979 chevy silverado as well as trailer wiring
wiring diagram 79 chevy truck wiring diagram operations
A set of wiring diagrams may be required by the electrical inspection authority to espouse association of the address to the public electrical supply system.
Wiring diagrams will furthermore enlarge panel schedules for circuit breaker panelboards, and riser diagrams for special facilities such as ember alarm or closed circuit television or additional special services.
You Might Also Like :
[gembloong_related_posts count=3]
1979 chevy truck wiring diagram another graphic:

1979 c10 wiring diagram wiring diagram page
electrical wiring diagram 1979 gmc c60 wiring diagrams show
gm truck wiring diagram wiring diagram page
1979 chevy truck wiring diagram wiring diagram chart post tagged 1979 chevy truck blower motor wiring diagram 1979 chevy truck instrument cluster wiring diagram 1979 chevy truck radio wiring diagram 1979 chevy truck steering column wiring diagram 1979 chevy truck wiring diagram 79 chevy truck headlight wiring diagram 1979 chevy truck wiring diagram diagram gmc truck ignition wiring diagrams diagramrepair guides autozone comgmc wiring diagram and electrical circuit 91 chevy k1500 1979 pickup radio 92 jimmy wiring diagram complete 73 87 wiring diagrams here are the complete wiring harness schematics for the 73 87 series these are huge jpgs so you may want to save and print them off 73 76 diagrams 1979 chevy truck radio wiring diagram diagramchart com 1979 chevy truck radio wiring diagram see more about 1979 chevy truck radio wiring diagram 1979 chevy truck radio wiring diagram 1979 chevy truck wiring diagram 1979 chevy truck wiring 1979 chevy truck wiring diagram 79 chevy truck wiring diagram wiring 1979 chevy truck fuse panel wiring diagram pictures 1979 chevy truck fuse panel jul 15 2019 thanks for visiting wiring diagram pictures plenty of people have used on line for locating data guidelines articles or another reference for their needs 1979 chevy truck wiring diagram circuit diagram maker 1979 chevy truck wiring diagram welcome thank you for visiting this simple website we are trying to improve this website the website is in the development stage support from you in any form really helps us we really appreciate that 1979 chevy truck vacuum diagram wiring diagram pictures posted on jul 02 2019 by benson fannie 1979 chevy truck vacuum diagram wiring diagrams 73 87chevytrucks com classic chevy page 1 wiring diagrams all diagrams contained in this manual are based on the latest product information available at the time of

















