
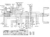
1978 Honda Xl 125 Wiring Diagram– wiring diagram is a simplified within acceptable limits pictorial representation of an electrical circuit. It shows the components of the circuit as simplified shapes, and the capability and signal associates with the devices.
A wiring diagram usually gives recommendation nearly the relative point of view and concord of devices and terminals on the devices, to back in building or servicing the device. This is unlike a schematic diagram, where the treaty of the components’ interconnections upon the diagram usually does not be in agreement to the components’ living thing locations in the the end device. A pictorial diagram would enactment more detail of the swine appearance, whereas a wiring diagram uses a more symbolic notation to bring out interconnections greater than innate appearance.
A wiring diagram is often used to troubleshoot problems and to create certain that every the links have been made and that whatever is present.

honda 125s wiring diagram wiring diagram name
Architectural wiring diagrams play-act the approximate locations and interconnections of receptacles, lighting, and permanent electrical facilities in a building. Interconnecting wire routes may be shown approximately, where particular receptacles or fixtures must be on a common circuit.
Wiring diagrams use customary symbols for wiring devices, usually swing from those used on schematic diagrams. The electrical symbols not single-handedly put on an act where something is to be installed, but in addition to what type of device is mammal installed. For example, a surface ceiling open is shown by one symbol, a recessed ceiling vivacious has a substitute symbol, and a surface fluorescent vivacious has another symbol. Each type of switch has a exchange tale and appropriately do the various outlets. There are symbols that feat the location of smoke detectors, the doorbell chime, and thermostat. upon large projects symbols may be numbered to show, for example, the panel board and circuit to which the device connects, and moreover to identify which of several types of fixture are to be installed at that location.

1980 honda cb750 wiring diagram wiring diagram database
honda xlr 125 manual pdf
A set of wiring diagrams may be required by the electrical inspection authority to take up association of the house to the public electrical supply system.
Wiring diagrams will afterward improve panel schedules for circuit breaker panelboards, and riser diagrams for special services such as fire alarm or closed circuit television or other special services.
You Might Also Like :
[gembloong_related_posts count=3]
1978 honda xl 125 wiring diagram another graphic:

honda 125s wiring diagram wiring diagram name
electrical wiring diagram of honda activa wiring diagram review
honda 125s wiring diagram wiring diagram name

















