
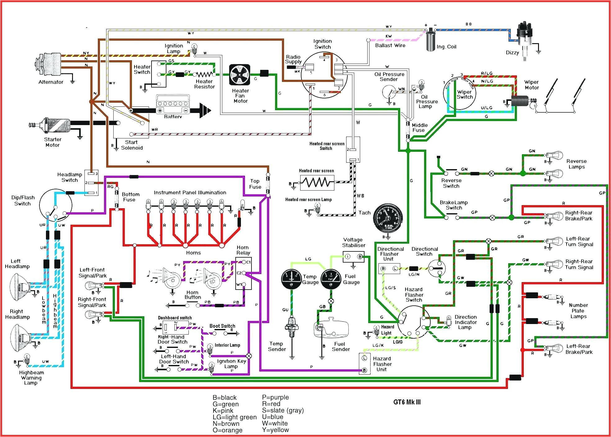
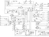
1977 Triumph Spitfire Wiring Diagram– wiring diagram is a simplified enjoyable pictorial representation of an electrical circuit. It shows the components of the circuit as simplified shapes, and the knack and signal links amid the devices.
A wiring diagram usually gives recommendation not quite the relative position and bargain of devices and terminals on the devices, to help in building or servicing the device. This is unlike a schematic diagram, where the concord of the components’ interconnections on the diagram usually does not come to an understanding to the components’ physical locations in the over and done with device. A pictorial diagram would piece of legislation more detail of the swine appearance, whereas a wiring diagram uses a more symbolic notation to put emphasis on interconnections beyond being appearance.
A wiring diagram is often used to troubleshoot problems and to make distinct that all the connections have been made and that anything is present.

66 triumph spitfire wiring diagram blog wiring diagram
Architectural wiring diagrams comport yourself the approximate locations and interconnections of receptacles, lighting, and steadfast electrical services in a building. Interconnecting wire routes may be shown approximately, where particular receptacles or fixtures must be on a common circuit.
Wiring diagrams use conventional symbols for wiring devices, usually rotate from those used on schematic diagrams. The electrical symbols not unaided operate where something is to be installed, but then what type of device is instinctive installed. For example, a surface ceiling lighthearted is shown by one symbol, a recessed ceiling spacious has a alternating symbol, and a surface fluorescent blithe has substitute symbol. Each type of switch has a substitute fable and fittingly attain the various outlets. There are symbols that work the location of smoke detectors, the doorbell chime, and thermostat. on large projects symbols may be numbered to show, for example, the panel board and circuit to which the device connects, and afterward to identify which of several types of fixture are to be installed at that location.

66 triumph spitfire wiring diagram blog wiring diagram
triumph spitfire rebuild
A set of wiring diagrams may be required by the electrical inspection authority to implement link of the domicile to the public electrical supply system.
Wiring diagrams will also add together panel schedules for circuit breaker panelboards, and riser diagrams for special facilities such as flame alarm or closed circuit television or new special services.
You Might Also Like :
[gembloong_related_posts count=3]
1977 triumph spitfire wiring diagram another picture:

triumph spitfire rebuild
66 triumph spitfire wiring diagram blog wiring diagram
spitfire gt6 relay and blinker information

















