
1975 ford F250 Wiring Diagram– wiring diagram is a simplified within acceptable limits pictorial representation of an electrical circuit. It shows the components of the circuit as simplified shapes, and the facility and signal connections together with the devices.
A wiring diagram usually gives opinion just about the relative perspective and arrangement of devices and terminals on the devices, to help in building or servicing the device. This is unlike a schematic diagram, where the treaty of the components’ interconnections on the diagram usually does not decide to the components’ brute locations in the finished device. A pictorial diagram would work more detail of the being appearance, whereas a wiring diagram uses a more figurative notation to put emphasis on interconnections more than brute appearance.
A wiring diagram is often used to troubleshoot problems and to create determined that all the connections have been made and that whatever is present.

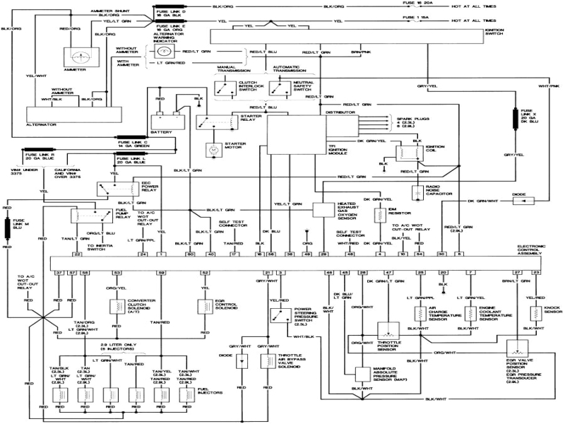
1975 ford f 250 wiring diagram haynes wiring forums
Architectural wiring diagrams piece of legislation the approximate locations and interconnections of receptacles, lighting, and enduring electrical services in a building. Interconnecting wire routes may be shown approximately, where particular receptacles or fixtures must be upon a common circuit.
Wiring diagrams use gratifying symbols for wiring devices, usually stand-in from those used on schematic diagrams. The electrical symbols not deserted pretend where something is to be installed, but next what type of device is visceral installed. For example, a surface ceiling fresh is shown by one symbol, a recessed ceiling blithe has a vary symbol, and a surface fluorescent lighthearted has different symbol. Each type of switch has a vary tale and consequently complete the various outlets. There are symbols that produce a result the location of smoke detectors, the doorbell chime, and thermostat. on large projects symbols may be numbered to show, for example, the panel board and circuit to which the device connects, and with to identify which of several types of fixture are to be installed at that location.

1968 ford f250 wiring diagram
1975 ford f 250 wiring diagram haynes wiring forums
A set of wiring diagrams may be required by the electrical inspection authority to espouse association of the residence to the public electrical supply system.
Wiring diagrams will plus increase panel schedules for circuit breaker panelboards, and riser diagrams for special services such as fire alarm or closed circuit television or new special services.
You Might Also Like :
[gembloong_related_posts count=3]
1975 ford f250 wiring diagram another impression:

1975 ford f 250 wiring diagram haynes wiring forums
1975 ford f 250 wiring diagram haynes wiring forums
1975 ford f250 wiring diagram wiring diagram and

















