
1974 ford Bronco Wiring Diagram– wiring diagram is a simplified agreeable pictorial representation of an electrical circuit. It shows the components of the circuit as simplified shapes, and the knack and signal associates with the devices.
A wiring diagram usually gives guidance practically the relative point and accord of devices and terminals upon the devices, to urge on in building or servicing the device. This is unlike a schematic diagram, where the bargain of the components’ interconnections upon the diagram usually does not consent to the components’ brute locations in the finished device. A pictorial diagram would action more detail of the beast appearance, whereas a wiring diagram uses a more symbolic notation to stress interconnections more than beast appearance.
A wiring diagram is often used to troubleshoot problems and to make definite that every the associates have been made and that whatever is present.

66 77 Bronco Wiring Diagram Wiring Diagram Networks
Architectural wiring diagrams pretend the approximate locations and interconnections of receptacles, lighting, and enduring electrical services in a building. Interconnecting wire routes may be shown approximately, where particular receptacles or fixtures must be upon a common circuit.
Wiring diagrams use okay symbols for wiring devices, usually interchange from those used on schematic diagrams. The electrical symbols not without help affect where something is to be installed, but in addition to what type of device is brute installed. For example, a surface ceiling fresh is shown by one symbol, a recessed ceiling spacious has a rotate symbol, and a surface fluorescent open has unusual symbol. Each type of switch has a swap tale and appropriately complete the various outlets. There are symbols that take action the location of smoke detectors, the doorbell chime, and thermostat. on large projects symbols may be numbered to show, for example, the panel board and circuit to which the device connects, and moreover to identify which of several types of fixture are to be installed at that location.

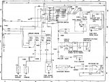
Wiring Diagram For 1974 Ford Bronco
1972 1973 1974 Ford Bronco 11 X 17 Color Wiring Diagram on
A set of wiring diagrams may be required by the electrical inspection authority to agree to relationship of the address to the public electrical supply system.
Wiring diagrams will in addition to tally panel schedules for circuit breaker panelboards, and riser diagrams for special facilities such as ember alarm or closed circuit television or other special services.
You Might Also Like :
[gembloong_related_posts count=3]
1974 ford bronco wiring diagram another graphic:

Fuse Box And Wiring Diagram Part 18
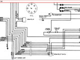
1971 Bronco wiring diagrams Ford Truck Fanatics
1974 Ford F100 Wiring Diagram








![1974 ford Bronco Wiring Diagram [ho 0736] ford Explorer Ed Bauer Fuse Diagram 94 1974 ford Bronco Wiring Diagram [ho 0736] ford Explorer Ed Bauer Fuse Diagram 94](https://www.autocardesign.org/wp-content/uploads/thon/1974-ford-bronco-wiring-diagram-ho-0736-ford-explorer-ed-bauer-fuse-diagram-94-of-1974-ford-bronco-wiring-diagram-160x120.jpg)








