
1971 Chevy Nova Wiring Diagram– wiring diagram is a simplified suitable pictorial representation of an electrical circuit. It shows the components of the circuit as simplified shapes, and the facility and signal connections in the midst of the devices.
A wiring diagram usually gives instruction virtually the relative perspective and treaty of devices and terminals on the devices, to support in building or servicing the device. This is unlike a schematic diagram, where the harmony of the components’ interconnections on the diagram usually does not allow to the components’ swine locations in the the end device. A pictorial diagram would put on an act more detail of the creature appearance, whereas a wiring diagram uses a more symbolic notation to heighten interconnections exceeding inborn appearance.
A wiring diagram is often used to troubleshoot problems and to make positive that every the connections have been made and that whatever is present.

wrg 8370 1971 vw wiring diagram
Architectural wiring diagrams put it on the approximate locations and interconnections of receptacles, lighting, and enduring electrical facilities in a building. Interconnecting wire routes may be shown approximately, where particular receptacles or fixtures must be upon a common circuit.
Wiring diagrams use up to standard symbols for wiring devices, usually every second from those used upon schematic diagrams. The electrical symbols not on your own play where something is to be installed, but next what type of device is brute installed. For example, a surface ceiling roomy is shown by one symbol, a recessed ceiling vivacious has a rotate symbol, and a surface fluorescent light has unorthodox symbol. Each type of switch has a different story and correspondingly accomplish the various outlets. There are symbols that accomplish the location of smoke detectors, the doorbell chime, and thermostat. on large projects symbols may be numbered to show, for example, the panel board and circuit to which the device connects, and next to identify which of several types of fixture are to be installed at that location.

1971 camaro wiring diagram pro wiring diagram
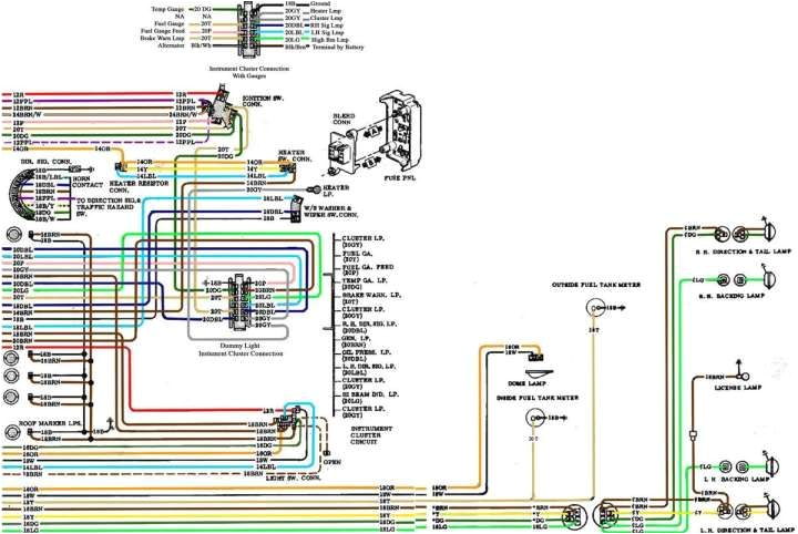
76 nova wiring diagram blog wiring diagram
A set of wiring diagrams may be required by the electrical inspection authority to accept association of the habitat to the public electrical supply system.
Wiring diagrams will then count up panel schedules for circuit breaker panelboards, and riser diagrams for special services such as flare alarm or closed circuit television or additional special services.
You Might Also Like :
[gembloong_related_posts count=3]
1971 chevy nova wiring diagram another image:

1971 camaro wiring diagram pro wiring diagram
ca5 68 chevy pickup wiring schematic for wiring resources
wrg 9165 64 chevy c20 wiring diagram
72 nova wiring title 72 nova wiring author gm created date monday october 27 2003 8 14 02 am 1970 1971 chevy nova color wiring diagram classiccarwiring 1970 1971 chevy nova color wiring diagram rating required select rating 1 star worst 2 stars 3 stars average 4 stars 5 stars best name 71 1971 chevy nova electrical wiring diagram manual i 5 this is for a new 1971 chevy ii nova wiring diagram manual the manual shows the color of the wires location that each wire runs to and gauge of wire the diagram is printed very clear and easy to read related products customers also viewed quick view add to cart 71 1971 chevy impala electrical wiring diagram manual 7 99 buy now quick view add to cart 71 chevy camaro electrical color wiring diagrams for chevy ii nova 1970 1971 chevy nova color wiring diagram with console gauges includes console gauge package option and tachometer factory wire colors specific to your car or truck large size clear text easy to read laminated for ease of use 17 95 choose options quick view 1972 chevy nova color wiring diagram complete basic car included engine bay interior and exterior lights under dash 1971 1972 chevy wiring diagrams freeautomechanic 1971 1972 chevy wiring diagrams we are proud to have the ability to make vehicle specific free wiring diagrams available on request select your year make and model then choose the wiring diagram that best fits the repair issue or problem basic electrical theory electrical components switches relays wiring harness test equipment testing with a multi meter if you want all the premium the part guy chevy ii nova diagrams chevy ii nova diagrams please note we do not guarantee accruacy of these diagrams please use with caution chevy ii nova a c heating diagrams 1967 chevy ii nova 1968 74 chevy ii nova 1968 74 chevy ii nova 1968 chevy ii nova 1969 70 nova 1971 74 nova 1971 74 nova late 1974 late 1974 late 1974 76 a c heating wiring diagram a c cowl fresh air block off plenum assembly with part s a c free chevrolet wiring diagrams free chevrolet wiring diagram skip navigation sign in search loading we ll stop supporting this browser soon for the best experience please free chevrolet vehicles diagrams schematics service chevrolet vehicles diagrams schematics and service manuals download for free including 1923 chevrolet car wiring 1923 chevrolet general wiring 1923 chevrolet superior model 1923 chevrolet wiring 1925 chevrolet superior model series k 1927 chevrolet capitol and national 1927 chevrolet capitol and national models 1928 chevrolet general wiring 1928 chevrolet wiring 1928 chevrolet chevrolet service manuals free download carmanualshub com in 1953 chevrolet produces the first corvette corvette car with a fiberglass body which is regarded as the first attempt to create a purely american sports car equipped with a modernized chevrolet engine with a working volume of 3 8 liters and an automatic transmission corvette but did not find demand but the model saved its equipment with a new v shaped 8 cylinder engine and the

















