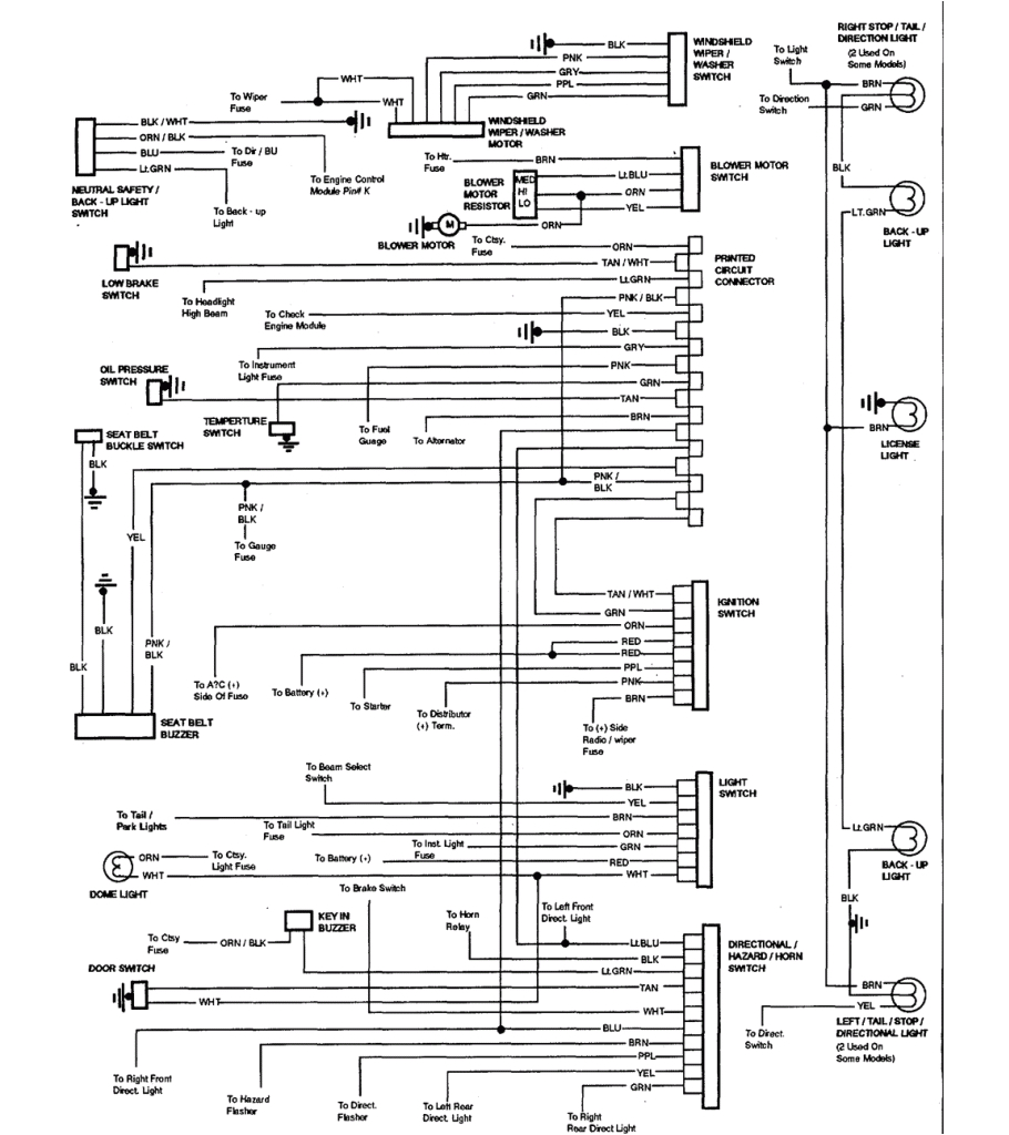
1968 El Camino Wiring Diagram


Warning: count(): Parameter must be an array or an object that implements Countable in /var/www/html/autocardesign.org/wp-content/themes/silegan-wordpress-theme/inc/themeson.class.php on line 625
1968 El Camino Wiring Diagram El Wire Diagram Pro Wiring Diagram
1968 El Camino Wiring Diagram El Wire Diagram Pro Wiring Diagram
See also  How to Read Wiring Diagrams