150cc Chinese Scooter Wiring Diagram


Warning: count(): Parameter must be an array or an object that implements Countable in /var/www/html/autocardesign.org/wp-content/themes/silegan-wordpress-theme/inc/themeson.class.php on line 625
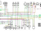
150cc Chinese Scooter Wiring Diagram Pin by Aly Alhossary On Generator with Images 150cc Go
150cc Chinese Scooter Wiring Diagram Pin by Aly Alhossary On Generator with Images 150cc Go
See also  Mercury Trim Gauge Wiring Diagram